KJB系列耐腐耐顆粒離心泵,泵體有塑料整體模壓成型,可靠厚實,外面鑲包金屬夾套,結構牢固、運行穩定,且能有效杜絕長期室外運行造成的塑料模壓件老化等不利影響。過流部件采用耐腐耐磨的UHM-WPE、PVDF等非金屬材料制造。該泵雖為半開式葉輪,得益于先進的水力設計,具有較高的效率。采用獨特的耐顆粒集裝式單、雙端面機械密封,安裝尺寸符合ISO2858/GB5652標準。可根據客戶需要配置相應的沖洗方案,廣泛應用于酸洗、環保脫硫、脫硝、化工、造紙、染料、污水處理等領域。
該泵運行穩定、抗汽蝕性能強,特別適合含有顆粒雜質的酸、堿性有腐蝕介質。具有高效節能、噪音振動低、可靠性高、壽命長等優點,是化工、酸洗、環保、污水處理的理想輸送設備。
使用溫度-20℃~140℃,流量: 1~1000m3/h,揚程:5~80m以內。
型號意義
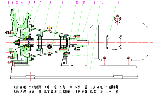
內裝雙端面機械密封結構圖
泵的型號與性能參數
1. 兩極電機轉速性能參數
續前頁表:
2. 四極電機轉速性能參數
續前頁表:

續前頁表:

安裝及注意事項:
1、在安裝前應對泵和電機進行檢查,各部分應完好無損,泵內應無雜物。
2、按基礎尺寸做好混凝土基礎,同時予埋地腳螺栓。
3、將機組放置在基礎上,在底板和基礎之間放成對楔墊,通過調整高速墊,找正泵的水平。
4、泵的吸入,吐出管路應有支架,不應用泵來支承管路。進出口管路口徑應與泵進出口口徑相統一。
5、泵進、出口管道為剛性硬管與泵連接時,進出口管路中心與泵進出口法蘭中心保持一致,并配裝膨脹節軟連接。嚴禁進出口管路連接時生拉硬拽導致意外損壞。
6、泵的進口管徑必須與泵匹配,吸入管路應盡可能布置成直管,應盡量減少吸入管路中的附件和縮短吸入管路長度,總長不宜超過6米,必須轉彎的時候,彎頭的彎曲半徑應該是管道直徑的3~5倍,角度盡可能大于90°,避免管路使用直角彎頭,進口管路彎頭不應超過2處。
7、應盡量減少泵進口管路并聯的現象,確需并聯,數量不宜超過兩臺,且并聯總管路截面積按并聯數加粗。
8、安裝完畢,應重新校正好泵頭與電機的中心高、軸心線,要求泵聯軸節與電機聯軸節外圓四周偏差不超過0.1mm,最后用手轉動聯軸器,檢查有無擦碰現象。
9、為防止雜物進入泵內,在進口處應設有過濾器,過濾面積應大于管路截面積的3-4倍。
10、揚程高的泵在出口管路上還應該安裝逆止閥,以防突然停機的水錘破壞。
11、必須保證裝置汽蝕余量大于泵的汽蝕余量,并考慮管路損失及介質溫度。
12、介質溫度過高時應對機封采取冷卻措施,以防機封變形,靜環開裂。
啟動,運行,維護及拆裝程序說明
1、啟動,運行及維護
(1)運行前的檢查:試運行前應先退開電機與泵的聯軸器,單獨試好電機轉向,保證轉向與泵的標志轉向一致,然后用手盤動聯軸器,運轉是否靈活。如盤不動或有異常聲音,應及時檢查。先檢查聯軸器是否水平(電機軸心線與泵的軸心線同心),潤滑油是否適宜。邊檢查邊盤動,如果問題依然存在,就要拆泵檢查(見結構圖),清理異物,并與本公司聯系協商解決方法。
(2)開車步驟
a、將泵腔內灌滿液體,排凈泵腔內空氣;
b、接好冷卻水進出口管(如有的話),打開冷卻水閥門,確認排出管有冷卻水流出;
c、及時打開進口閥門;
d、接通電源;
e、打開出口閥門;
(3)運行
運行中如有異常聲音,或有電機發熱等不正常情況出現時,應停機檢查。
(4)停車步驟
a、先關閉出口處閥門;
b、切斷電源,并及時關閉進口、冷卻水閥門;
(5)維護
a、軸承座內的潤滑油應定期更換,正常情況下六個月更換一次;
b、寒冷季節,停泵后若有結冰現象,應先接通密封處冷卻水,或加熱水進去解凍,之后用手盤動聯軸器,直到運轉靈活,再按照啟動步驟開車;
c、有冷卻水裝置的泵,開車前應先接通冷卻水,泵正常運行時冷卻水的流量可以盡量減小,排出管有冷卻水流出即可,壓力應≤2kg/cm2,可用自來水或工業用水;
d、泵的出口閥關閉運行狀態以不超過5分鐘為限,高溫介質最好不要超過2分鐘;
2、拆裝程序
a、松開泵殼體和支架連螺栓,將殼體與葉輪、泵蓋、支架部件分開;
b、松開葉輪螺母、鎖緊螺母,取出葉輪;
c、松開泵蓋和支架的連接螺栓,拆下泵蓋;
d、卸下密封盒,拆下機械密封;
e、卸下進口法蘭螺柱,取出進口法蘭卡圈;
f、松開前后夾板緊固螺栓,分開前、后夾板,取出泵殼;
g、松開懸架體前后軸承蓋緊固螺栓,拆開前后軸承蓋,取出泵軸、軸承。
安裝順序與拆卸順序相反,需要注意的是:
a、機封動環裝入后,應檢查一下彈簧的壓力和壓縮量;
b、將葉輪壓緊螺母并緊后,檢查一下葉輪與殼體蓋板之間前間隙≤2mm;
c、葉輪、泵蓋、支架部件裝入殼體后,用手盤動聯軸器一圈以上,應受力均勻、運轉靈活,無盤動阻滯、異響、碰擦等現象;
警告:
整機安裝完成后,嚴禁在無液的狀態下直接接通電源測試電機轉向!
輸送強堿等結晶性介質及含固量較多的介質,使用停機時應及時清洗泵腔,避免下次再用時因結晶、顆粒堵塞導致泵機非正常損壞。
停機較長時間重新開機,應重新盤動聯軸器檢查,運轉是否靈活。如盤不動或有異常聲音,應及時排除。
常見槽位工況下,泵的安裝示意說明

故障及排除